bem-vindo ao XIAMEN TOB NEW ENERGY TECHNOLOGY Co., LTD..
  • português
  • Russian
  • f
  • i
  • y
  • t
  • p
battery machine and materials solution
Produtos

Produtos quentes


Estação de trabalho eletroquímica
加载中...

Estação de trabalho eletroquímica de canal único

Esta estação de trabalho eletroquímica de canal único TOB-CS350M consiste em um gerador de funções arbitrárias DDS, um potenciostato/galvanostato de alta potência, um analisador de correlação de canal duplo, um conversor AD de alta velocidade de 16 bits/alta precisão de 24 bits de canal duplo e interfaces de extensão. A corrente máxima é de ±2A, a faixa de potencial é de ±10V. Frequência EIS A faixa de frequência é de 10 uHz a 1 MHz. Pode ser usado em diversos campos eletroquímicos, como corrosão, energia, materiais e eletroanálise. A corrente pode ser aumentada para até 20 A/40 A com um amplificador de corrente CS2020B/CS2040B.
  • Marca:

    TOB NEW ENERGY
  • item número.:

    TOB-CS350M
  • pedido (moq):

    1set
  • Pagamento:

    L/C,T/T
  • origem do produto:

    China
  • porto de embarque:

    XIAMEN
Detalhes do produto

Estação de trabalho eletroquímica de canal único


ESPECIFICAÇÕES


Esta estação de trabalho eletroquímica/potenciostato/galvanostato monocanal TOB-CS350M consiste em um gerador de funções arbitrárias DDS, um potenciostato/galvanostato de alta potência, um analisador de correlação de canal duplo, um conversor AD de alta velocidade de 16 bits/alta precisão de 24 bits de canal duplo e interfaces de extensão. A corrente máxima é de ±2A, a faixa de potencial é de ±10V. A faixa de frequência EIS é de 10uHz a 1MHz. Pode ser utilizada em diversas áreas eletroquímicas, como corrosão, energia, materiais e eletroanálise. A corrente pode ser aumentada para até 20A/40A com um amplificador de corrente CS2020B/CS2040B.


Especificações

Suporta sistema de 2, 3 ou 4 eletrodos

Potencial e alcance atual: Automático

Faixa de controle potencial: ±10V

Faixa de controle de corrente: ±2A

Precisão de controle potencial: 0,1% × faixa completa ± 1 mV

Precisão de controle de corrente: 0,1% × faixa completa

Resolução potencial: 10μV (>100Hz),3μV (<10Hz)

Sensibilidade de corrente: 1pA

Tempo de subida: <1μs (<10mA), <10μs (<2A)

Impedância de entrada do eletrodo de referência: 1012Ω||20pF

Faixa de corrente: 2nA~2A, 10 faixas

Tensão de conformidade: ±21V

Saída de corrente máxima: 2A

Taxa de varredura de CV e LSV: 0,001 mV ~ 10.000 V/s

Largura de pulso CA e CC: 0,0001~65.000s

Incremento de corrente durante a varredura: 1mA@1A/ms

Incremento potencial durante a varredura: 0,076 mV a 1 V/ms

Frequência SWV: 0,001~100 kHz

Largura de pulso DPV e NPV: 0,0001~1000s

Aquisição de dados AD: 16 bits a 1 MHz, 20 bits a 1 kHz

Resolução DA: 16 bits, tempo de configuração: 1μs

Incremento potencial mínimo em CV: 0,075mV

Frequência IMP: 10μHz~1MHz

Filtros passa-baixa: cobrindo 8 décadas

Sistema operacional: Windows 10/11

Interface: USB 2.0

Peso / Medidas: 6,5 kg, 36,5 x 30,5 x 16 cm

EIS (Espectroscopia de Impedância Eletroquímica)

Gerador de sinal

Faixa de frequência: 10μHz~1MHz

Amplitude CA: 1mV~2500mV

Polarização CC: -10~+10V

Impedância de saída: 50Ω

Forma de onda: onda senoidal, onda triangular e onda quadrada

Distorção de onda: <1%

Modo de varredura: logarítmico/linear, aumentar/diminuir

Analisador de sinais

Tempo integral:

mínimo: 10 ms ou o tempo mais longo de um ciclo

Máximo: 106 ciclos ou 105s

Atraso de medição: 0~105s

Compensação de deslocamento CC

Faixa potencial de compensação automática: -10V~+10V

Faixa de compensação de corrente: -1A~+1A

Largura de banda: faixa de frequência de 8 décadas, configuração automática e manual


Técnicas- comparação de modelos

Técnicas

TOB-CS300M

SEM EIS

TOB-CS310M

COM EIS

TOB-CS350M

COM EIS

Polarização estável

Potencial de circuito aberto (OCP)

Potenciostático (curva)

Galvanostático

Potenciodinâmica (diagrama de Tafel)

Galvanodinâmica

Polarização transitória

Etapas Multipotenciais

Etapas multicorrentes

Escada Potencial (VSTEP)

Escada Galvânica (ISTEP)

Métodos cronológicos

Cronopotenciometria (CP)

Cronoamperometria (CA)

Cronocoulometria (CC)

Voltametria

Voltametria Cíclica (CV)

Voltametria de varredura linear (LSV)(iv)

Voltametria de Escada (SCV) #


Voltametria de onda quadrada (SWV) #


Voltametria de Pulso Diferencial (DPV)#


Voltametria de pulso normal (VPN)#


Voltametria de Pulso Diferencial Normal (DNPV)#


Voltametria CA (ACV) #


EIS

EIS potenciostático (Nyquist, Bode)


EIS galvanostático


EIS potenciostático (frequência opcional)


EIS galvanostático (frequência opcional)


Mott-Schottky


EIS potenciostático vs. tempo (frequência única)


EIS galvanostático vs. tempo (frequência única)


Medição de corrosão

Curva de polarização cíclica (CPP)

Curva de polarização linear (LPR)

Reativação Potenciocinética Eletroquímica (RPE)

Ruído Eletroquímico (EN)

Amperímetro de resistência zero (ZRA)

Teste de bateria

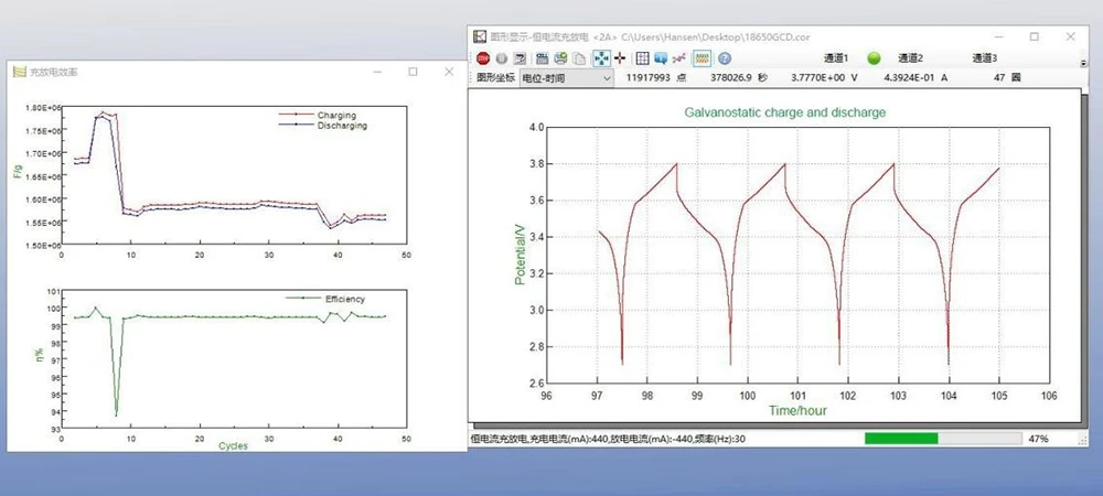
Carga e descarga da bateria

Carga e descarga galvanostática (GCD)

Carga e descarga potenciostática (PCD)

Técnica de Titulação Intermitente Potenciostática (PITT)

Técnica de Titulação Intermitente Galvanostática (GITT)

Amperometria

Amperometria de Pulso Diferencial (DPA)


Amperometria de Pulso Diferencial Duplo (DDPA)


Amperometria de pulso triplo (TPA)


Detecção Amperométrica de Pulso Integrada (IPAD)


# Existem métodos de remoção correspondentes.


Aplicativo

Corrosão: O testador inclui todas as técnicas eletroquímicas para medição de corrosão, como OCP, curva de polarização (potenciodinâmica), EIS, polarização cíclica CPP (curva de passivação), Reativação Potenciocinética Eletroquímica (EPR), teste de difusão de hidrogênio, ZRA, ruído eletroquímico, etc. Pode ser usado para estudar o mecanismo de corrosão de metais e a resistência à corrosão, além de avaliar a durabilidade do revestimento e a eficiência da corrente do ânodo de sacrifício. Também pode ser usado para triagem rápida de inibidores de corrosão, fungicidas, etc.

Single Channel Electrochemical Workstation

Esquerda: Curvas de polarização de liga de Ti e aço inoxidável em solução de 3% NaCl

Direita: EN de aço de baixo carbono em 0,05mol/LCl+0,1mol/LNaHCO3


Utiliza algoritmo de correlação integral e técnica de sobreamostragem de canal duplo, com forte capacidade antiparasitária. A resistência interna do instrumento é de até 1013Ω. É adequado para medições de EIS em sistemas de alta impedância (como revestimentos, concreto, etc.).

Salt spray aging test of high impedance coating

Teste de envelhecimento por névoa salina de revestimento de alta impedância


Energia

Com técnicas LSV, CV, carga e descarga galvanostática (GCD), potencial constante/corrente EIS e circuito de compensação IR preciso, os potenciostatos Corrtest são amplamente utilizados em supercapacitores, baterias de íons de lítio, baterias de íons de sódio, células de combustível, baterias Li-S, células solares, baterias de estado sólido, baterias de fluxo, baterias de metal-ar, etc. É uma excelente ferramenta científica para pesquisadores nas áreas de energia e materiais.

CV curve of PPy supercapacitor in 0.5 mol/L H2SO4 solution

Curva CV do supercapacitor PPy em solução de H2SO4 0,5 mol/L

Eletroanálise

O potenciostato Corrtest inclui todos os métodos voltamétricos, como NPV, DNPV, SWV e ACV, e pode ser usado para análises rápidas de elementos traços na solução. Os métodos de stripping voltamétricos podem realizar análises quantitativas de acordo com a corrente de pico de stripping.

Stripping voltametric curves in solution of different Pb2+, Cd 2+,Zn2+ concentration

Curvas voltamétricas de decapagem em solução de diferentes concentrações de Pb2+, Cd2+,Zn2+


Eletrocatálise


  • O potenciostato Corrtest pode medir o potencial de meia onda (ORR), o sobrepotencial (HER, OER) do catalisador e tem a função de calcular a densidade de potência de pico e a densidade de energia.
  • Medição cíclica de longo prazo para ORR, OER, HER, CO2RR por técnicas como voltametria cíclica, potenciostática e galvanostática. A eficiência de Faraday pode ser medida com um bipotenciostato.
  • A corrente máxima pode ser de 20 A e a tensão de conformidade pode ser de 30 V e, com a técnica de compensação IR, o potenciostato Corrtest pode medir precisamente o sobrepotencial do eletrodo, o que é uma grande vantagem no campo da eletrocatálise.



LSV curve of catalysts in alkaline solution
Curva LSV de catalisadores em solução alcalina


Recursos do software

Voltametria cíclica: O software CS Studio oferece aos usuários um kit versátil de suavização/diferencial/integração, que pode concluir o cálculo da altura, área e potencial de pico das curvas CV. Na técnica CV, durante a análise de dados, há a função de selecionar o(s) ciclo(s) exato(s) a ser(em) exibido(s).

Gráfico de tabela e taxa de corrosão: O CS Studio também oferece um poderoso ajuste não linear na equação de Butler-Volmer da curva de polarização. Ele pode calcular a inclinação de Tafel, a densidade de corrente de corrosão, a corrente de limitação, a resistência à polarização e a taxa de corrosão. Também pode calcular a densidade do espectro de potência, a resistência ao ruído e a resistência do espectro de ruído com base nas medições EN.

Single Channel Electrochemical Workstation


Teste e análise de bateria:

eficiência de carga e descarga, capacidade, capacitância específica, energia de carga e descarga.

Single Channel Electrochemical Workstation

Análise EIS: Gráfico de Bode, Nyquist e Mott-Schottky

Durante a análise de dados EIS, há uma função de ajuste integrada para desenhar o circuito equivalente personalizado.

Single Channel Electrochemical Workstation


Potenciostato de canal único de alimentação padrão


  • Host do instrumento
  • Software de estúdio CS
  • Cabo de alimentação x1
  • Cabo USB x1
  • Cabo de célula/eletrodo x2
  • Célula fictícia (1kΩ||100µF) x1
  • Manual



Exibição do produto


Single Channel Electrochemical Workstation

Single Channel Electrochemical Workstation

Single Channel Electrochemical Workstation

Single Channel Electrochemical Workstation


E-mail : tob.amy@tobmachine.com

Skype: amywangbest86

Whatsapp/Número de telefone: +86 181 2071 5609

envie uma mensagem

Se você está interessado em nossos produtos e deseja saber mais detalhes, deixe uma mensagem aqui, responderemos o mais breve possível.

nossos trabalhos
produtos relacionados
Estação de trabalho eletroquímica
Estação de trabalho eletroquímica de canal único Potentiostat Galvanostat Para teste de bateria
Estação de trabalho eletroquímica é um general Potentiostat galvanostat Fra Projetado para medições eletroquímicas de uso geral.
Estação de Trabalho Eletroquímica
Estação de Trabalho Eletroquímica Potenciostato Galvanostato Multicanal
O potenciostato/galvanostato/EIS multicanal TOB-CS-3 é um instrumento versátil que oferece 8 slots. Corrente/tensão alta: Faixa de potencial aplicada ±10V, corrente ±1A. Técnicas abrangentes: EIS integrado (10μHz~1MHz) está equipado.
Bipotenciostato
Bipotenciostato de 2 canais
O bipotenciostato TOB-CS-2350 é desenvolvido a partir do potenciostato/galvanostato TOB-CS-350 de canal único. Existem dois conjuntos de potenciostato/galvanostato integrados. Os dois canais podem conduzir experimentos iguais ou diferentes de forma independente/simultânea.
Potenciostato multicanal
Potenciostato multicanal Galvanostat EIS
Este potenciostato galvanostato EIS multicanal TOB-CS310X é um instrumento versátil que oferece 8 slots.
máquina de selagem de bateria de botão
máquina de vedação de friso manual para célula tipo moeda
o crimper é adequado para selar vários tipos de células de moedas, como cr2032, cr2025 e cr2016, com o ajuste da altura da vedação e sem alterar a matriz.
China principal fabricante para fornecedor de substratos de cátodo supercapacitor de espuma de níquel
para fornecedor de substratos de cátodo supercapacitor de espuma de níquel
espuma de níquel para substrato de cátodo de bateria thicknss 0.5mm especificações aplicável ao super capacitor, bateria de níquel hidrogênio, bateria de níquel cádmio, célula de combustível ........ item valor thicness 1.5mm 1.0mm 0.5mm 1.7mm porosidade 97% pureza ≥99,8% ppi 110 densidade de área 350 ± 20g / m2 usado para super capacitor, bateria de níquel hidrogênio, bateria de níquel cádmio, célula de combustível ........ pacote e transporte 1 embalagem exportada padrão: vedação interna de garrafas, fora do membra composto de alumínio e plástico ne selagem 2 envio por expresso, por via aérea, por mar de acordo com as necessidades do cliente para sugerir o modo de envio mais adequado Serviços 1 fornecemos máquinas com suporte à tecnologia de bateria. 2 também podemos fornecer um conjunto completo de materiais para bateria de lítio, incluindo bateria de polímero, bateria de cilindro, bateria de celular, bateria de ev. 3 também podemos fornecer um conjunto completo de equipamentos de bateria de lítio para pesquisa em laboratório, pesquisa em escala piloto e linha de produção. 4 também podemos fornecer um conjunto completo de tecnologia de bateria para projetar, pesquisar e produzir baterias. nós cooperamos um com o outro e faremos o melhor da melhor bateria o email : tob.amy@tobmachine.com skype: amywangbest86 whatsapp / número de telefone: +86 181 2071 5609
câmara de difusão a vácuo de eletrólito de bateria
bolsa câmara de difusão a vácuo de eletrólito com bateria com máquina multifuncional de pré-vedação
difusão a vácuo e máquina multifuncional de pré-vedação para profissionais pesquisa com bateria de íons de lítio.
China principal fabricante Braçadeira de cozimento de 5 camadas
Braçadeira de cozimento de 5 camadas
este tipo de grampo de cozimento é usado para testar o desempenho da bateria de lítio após a formação. colocamos a bateria da bolsa de lítio após a formação no grampo de cozimento e, em seguida, aperte-o; em seguida, colocamos o grampo de cozimento e a bateria no forno a vácuo com temperatura para verificar se há alguma explosão para a bateria.

Deixe um recado

    Se você está interessado em nossos produtos e deseja saber mais detalhes, deixe uma mensagem aqui, responderemos o mais breve possível.

Casa

Produtos

companhia

topo